24小時聯系電話:18217114652、13661815404
中文
技術專題
機電仿真軟件和電路設計分析的作用
機電系統采用多種軟件來成功設計,包括機電仿真軟件。您的機電仿真軟件和機械建模工具可確保您的系統在機械方面達到預期的性能,但是在創建機械仿真和機電仿真之前,它們無法解決電路的特定功能。
電氣設計和分析工具對于設計電動機控制電路和功率傳輸系統非常重要,這樣可以確保機械系統可以按預期運行。真正的機電仿真軟件將使用系統的3D模型進行分析,但這需要首先創建原理圖和PCB布局。如果您可以在開始機械設計和機電仿真之前完成電路設計和PCB布局,則可以創建一個滿足電氣和機械要求的系統。
機電系統設計過程需要電氣設計師和機械設計師之間的緊密合作。機械設計師的工作可能很困難,因為他們必須考慮諸如外殼設計,外殼或包裝的運動范圍以及傳遞給系統中電動機的功率之類的事情。機械設計的這些方面,尤其是傳遞給電動機的功率和運動范圍,只有在設計了功率和電動機控制電路之后才能適當考慮。
必須模擬的兩個關鍵電路是您的電源傳輸/管理和電機控制系統。這些電路需要以最小的損耗(即,盡可能高的效率)向機械組件提供所需的功率。這些系統都不是100%高效的,但是使用正確的電路設計和分析工具可以使您盡可能地接近。
您的功率傳輸系統通常需要容納來自未穩壓直流電源或交流電源的輸入功率。無論哪種情況,您都需要設計一個功率調節級,以便為板上的下游電動機供電。由于電動機有AC和DC兩種,因此最好將電動機類型與輸入功率類型匹配。功率調節和傳輸策略需要與所使用的電源匹配。
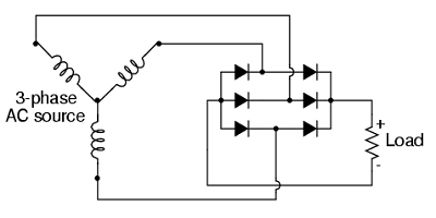
對于將使用交流電源運行但需要直流電動機或步進電動機的更復雜的系統,您可能需要具有開關調節器的功率因數校正(PFC)電路,以確保向機電系統提供穩定的電流和高效的功率傳輸系統。為了從單相電源轉換為脈動DC,可以使用帶有輸出電容器的標準整流器電路。要將三相電源轉換為直流電源,請使用以下電路。

用于AC-DC轉換的三相整流電路
在仿真軟件中,您可以將三相交流輸入電源建模為一組三個交流電源,每個交流電源的相位偏移為120°。只需使用二極管模型掃描源幅度,即可檢查所產生紋波的幅度并計算功率因數。IEC 61000-3是三相交流電源轉換系統上非常嚴格的歐洲標準,該標準將輸入電流的總諧波失真(THD)限制在每相16至75 A RMS輸入電流時不超過48%。功率較低的設備(每相輸入電流最高為16 A RMS)被限制為不超過THD的33.8%。
系統的功率因數和總諧波失真(THD)相關,太高的總諧波失真(THD)過高會導致您的機電系統在總諧波失真(THD)高時浪費功率。但是,直流電源轉換中需要總線電容器來提供低通濾波和更穩定的輸入直流電源。
在仿真中,您需要嘗試使用不同的電容器,以查看哪些值(包括其ESL和ESR值)將為您的機電組件提供最高的功率因數轉換。這可以通過參數掃描來完成,同時掃描電容器值并計算總輸出功率效率。
電機控制
術語“電動機控制”涵蓋正在運行的電動機上的速度和轉矩控制。這通過調節驅動信號中的參數之一來提供。對于實際的交流驅動電路,交流電動機的典型電動機控制方法是使用帶雙向可控硅和三端雙向可控硅開關的電位計來調節傳遞給電動機的功率。
下面顯示了一個單相電源示例。在這種簡單策略中,您可以將電位計模擬為固定電阻,并在模擬掃頻時將其值簡單地更改為參數,同時模擬傳遞給電動機的功率(下面的M1)。

單相交流電動機的速度控制電路。三相電動機可以構建類似的電路
交流電動機控制的最常用方法是調整驅動信號的頻率。在構建變頻驅動電路時,對于單相或三相輸入功率,您需要根據電源電壓/電流模擬輸出功率。對于直流控制,確切的方法取決于所用電動機的類型。下表總結了用于控制直流電動機速度以及轉矩的不同方法。
|
直流電動機類型 |
控制方式 |
|
無刷 |
更改施加到電樞的電壓。這可能會使用功率晶體管,它充當線性穩壓器。 |
|
拉絲 |
與無刷電機相同。 |
|
伺服(帶反饋控制的有刷電機) |
通常使用PWM信號進行驅動,并使用正反饋信號進行精確的速度選擇。 |
|
踏步機 |
輸出占空比與電機上各點之間的間距匹配的PWM信號。 |
請注意,有刷和無刷電機也可以使用PWM信號,其中電機接收的平均電壓等于占空比乘以線路電壓。這樣,可以通過可編程的PWM發生器(例如在MCU中)以電子方式控制電動機。

