24小時聯系電話:18217114652、13661815404
中文
技術專題
PCB設計罕見DC-DC調節方法介紹
這是一些方法的總結,當您需要以不太標準的方式解決PCB設計電源調節問題時,這些方法可能會派上用場。
電路設計中,電源需要調節。它通常不以我們需要的形式出現。當電池充滿電并且接近使用壽命時,許多集成電路將無法工作。需要增強,降低和調節電源,以滿足IC的需求。為了實現這一壯舉,工程師和設計人員通常會按需使用諸如低壓差(LDO)和降壓/升壓調節器之類的設備。隨著時間的流逝,這些設備變得更小,效率更高,功能更豐富。外部零件數下降,紋波下降。但是,正如讀者無疑知道的那樣,還有其他方法可以轉換電壓。下面列出了一些比較特殊和深奧的方法。它們中的一些,例如正激轉換器,非常普遍,在隨處可見的計算機電路中都可以找到。這份清單絕不是詳盡無遺的,但是可以說,它解決你的部分困惑。
遠程監管方法
(?uk轉換器)
該轉換器由加州理工學院的Slobodan?uk教授設計,由兩個電感器,兩個電容器,一個二極管和一個開關元件構成。它可以升高和降低施加到其輸入端子的電壓。?uk轉換器的輸出具有與輸入電壓相反的極性。它還能夠在不連續電壓模式下運行。這是在換向周期內耦合電容器兩端的電壓降至零時的情況。附帶地,耦合電容器的存在降低了EMI輻射。

(SEPIC轉換器)
單端初級電感轉換器(SEPIC)在拓撲上與?uk轉換器非常相似。SEPIC轉換器的輸出與其輸入的極性相同。其輸出電壓可以高于或低于輸入電壓。根據確切的拓撲結構,SEPIC轉換器的零件數量通常比其他轉換器類型少。
(正向轉換器)
正向dc-dc轉換器的基礎是變壓器。但是,它仍然具有此列表中其他轉換器一樣的開關元件。根據變壓器的纏繞方式,其輸出可能高于或低于轉換器的輸入電壓。變壓器在負載和輸入電壓之間提供電流隔離。能量通過感應從輸入線圈傳遞到輸出線圈。

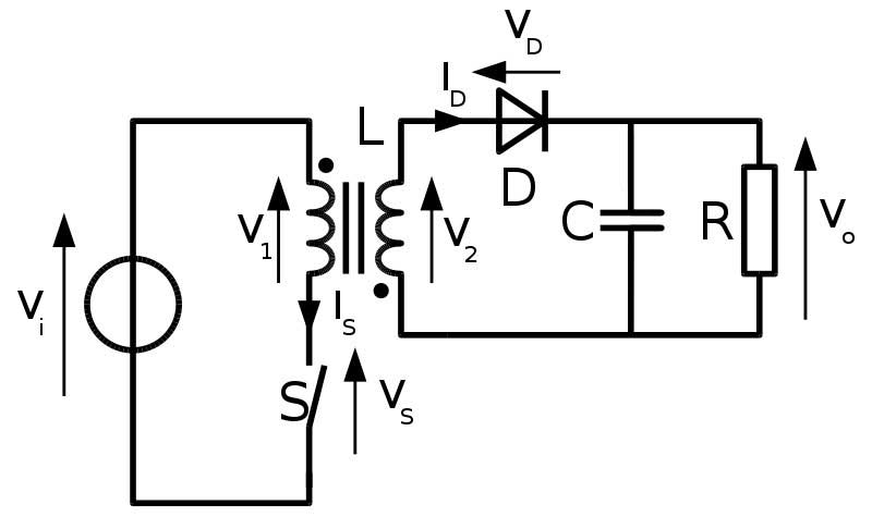
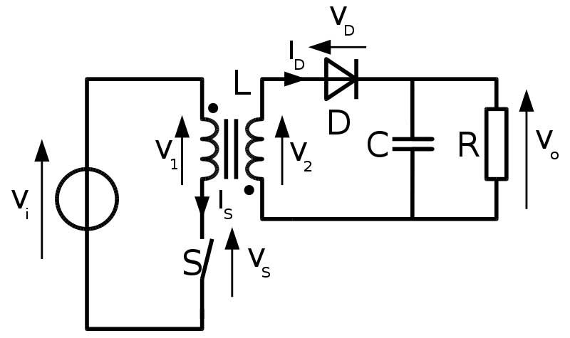
(反激轉換器)
它用于將dc切換為dc,并將ac切換為dc。它看起來與正向轉換器非常相似,但是它以不同的原理工作,并在輸入和輸出之間提供電流隔離。所示的反激轉換器使用塌陷的磁場而不是感應來將能量從變壓器線圈傳遞到變壓器線圈。請注意,開關元件在變壓器的初級側。

(電荷泵)
電荷泵代表了非常簡單的DC-DC轉換器類型,它們使用電容器來提高或降低輸入電壓。通常在諸如邏輯電平轉換器之類的設備中或需要低成本和低功耗解決方案的設備中內置電荷泵。手機包裝有電荷泵。示出了具有有源開關元件的電荷泵。
總結
在你的職業生涯中,你可能永遠不會使用或遇到這些方法中的任何一種,但是至少對這些方法有一個粗略的了解也不會有任何傷害。盡管您可能沒有設計自己的LDO穩壓器,但熟悉其工作原理有助于你更好地了解何時以及如何使用該設備,以及在不工作時進行故障排除。
至少在下一次PCB設計審查時,它會讓你有更多的思路。

