24小時聯系電話:18217114652、13661815404
中文
行業資訊
使用內核耦合內存將STM32微控制器的速度提高
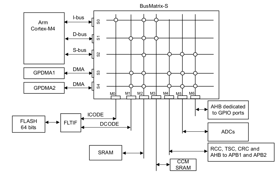
當處理具有計算密集型例程和(或)接近實時性能要求的項目時,擁有“閃電般的” RAM通常對于開發人員而言是一件好事。這是STMicro在其STM32微控制器系列中包含大量內核耦合內存(CCM)RAM的原因之一。
核心耦合內存(CCM)具有高性能和零等待狀態,允許在從閃存中運行固件所需時間的一小部分時間內執行指令。根據意法半導體, 它被包含在微控制器中,用于涉及“實時和計算密集型例程[包括]數字電源轉換控制回路(開關模式電源,照明),面向現場的三相電動機控制,[和]實時DSP(數字信號處理)”。
對于開發人員如何使用CCM的演示,開發人員使用了STM32F303CC開發板,它具有256kB的閃存,40kB的靜態RAM(SRAM)和8kB的核心耦合內存(CCM)RAM。對于固件,他采用了LZ4壓縮算法作為基準,并采用了允許在閃存SRAM和CCM RAM上執行的自定義CMake。在閃存,SRAM和CCM上以不同的時鐘速度執行LZ4壓縮算法。在默認的板時鐘速度為72MHz且塊大小為8k的情況下,從閃存執行LZ4算法的時間為279到304毫秒。移至SRAM可使運行時間進一步縮短至251ms,但切換至CCM則將其進一步降低至172ms。為了進一步測試這些限制,工程師對設備進行了超頻,使其時鐘速度為128MHz,并再次測試了所有三個存儲器的性能。在新的時鐘速度下,塊大小與以前相同,在CCM上為97ms。

